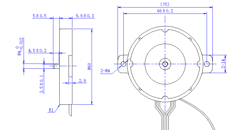
该电机是我司开发的一款全新产品,该电机用于消费电子领域,如旋转电视、馈线等。在一些空间有限的情况下,这种电机会是更好的选择。
| 步进角 | 1.8°±5% |
| 阶段数 | 2 |
| 额定电压 | 1.54 V |
| 额定电流 | 1.4 A |
| 阻力 | 1.1ohm±15% AT 25° |
| 电感 | 0.55mH±20% AT 1kHz, 1Vrms |
| 保持转矩 | 0.1 N.m(14.16 oz.in)TYP. |
| 运行扭矩(AT--PPS) | --V.DC, --A/PHASE |
| 介电强度 | 500V A.C/MIN. |
| 绝缘电阻 | 100MΩ+/MIN. |
| 绝缘等级 | B类 |
| 温升 | 最大80K |
| 转子惯性 | 48 g.cm²(0.27 oz.in²) |
| 重量 | 约100克(3.52盎司) |
| 允许推力载荷 | 2N |
| 允许径向载荷 | 20 N(轴端) |
| 工作环境温度 | ‘-20℃---+50℃ |
| 工作环境湿度 | 15%----90% |
| 生命 | 5000小时 |

| 电压 | 24V.D.C | ○ | 供应 | 绕组 | |
| 电流 | 1.4A/相位 | ○ | 峰值 | AVE | |
| 激发 | 全速 | ||||
| 驱动电路 | HDSD224 | 单极 | # | 双极 | |
| 惯性载荷 |

