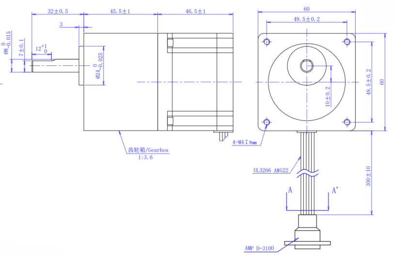
这是一个五相步进电机,步距角为0.72度,额定电压为2.2V,额定电流为1.4A。其保持扭矩约为0.36 N·m,体重约950克,适用于-20°C至50°C的环境温度下运行。
| 步进角 | 0.72°±5% |
| 相数 | 5 |
| 额定电压 | 2.2V REF |
| 额定电流 | 1.4A |
| 电感 | 0.77 ohm REF AT 25° |
| 电阻 | 1.45 mH REF AT 1kHz, 1Vrms |
| 保持转矩 | 0.36 N.m(50.98 oz.in)REF |
| 允许扭矩(AT --PPS) | --V.DC, --A/PHASE |
| 介电强度 | 500V A.C/MIN. |
| 绝缘电阻 | 100MΩ+/MIN. |
| 绝缘等级 | CLASS B |
| 温升 | 80K MAX. |
| 转动惯量 | 275g.cm²(1.51 oz.in²) |
| 重量 | APPROX. 950g(33.5 oz) |
| 允许推力载荷 | 15N |
| 允许径向载荷 | 75 N(ON THE SHAFT END) |
| 工作环境温度 | -20℃---+50℃ |
| 工作环境湿度 | 15%----90% |
| 使用寿命 | 5000HOURS |

