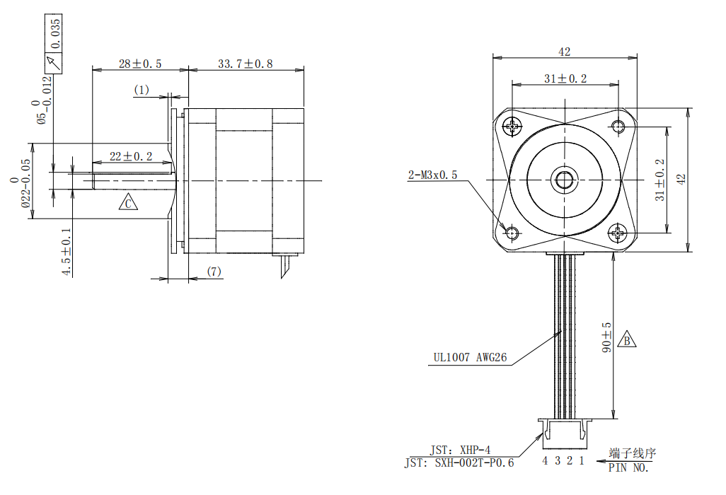
结构设计平衡了强度和适应性。其重量约为230g,转子惯性为40g·cm²,可承受10N的轴向载荷和21N的径向载荷,具有较高的安装稳定性。
| 步进角 | 1.8°±5% |
| 相数 | 2 |
| 额定电压 | 2.73V |
| 额定电流 | 1.3A |
| 电阻 | 2.1 ohm±10% AT 25° |
| 电感 | 2.8mH±20% AT 1kHz, 1Vrms |
| 保持转矩 | 0.25 N.m(35.3 oz.in)TYP. |
| 运行扭矩(AT --PPS) | --V.DC, --A/PHASE |
| 介电强度 | 500V A.C/MIN. |
| 绝缘电阻 | 100MΩ+/MIN. |
| 绝缘等级 | CLASS B |
| 温升 | 80K MAX. |
| 转动惯量 | 40 g.cm²(0.21 oz.in²) |
| 重量 | APPROX. 230g(8.1 oz) |
| 允许推力载荷 | 10N |
| 允许径向载荷 | 21 N(ON THE SHAFT END) |
| 工作环境温度 | -20℃---+50℃ |
| 工作环境湿度 | 15%----90% |
| 使用寿命 | 5000HOURS |
