这两种电机都具有1.8°的步距角,并提供稳定、高精度的定位性能,使其广泛适用于各种工业自动化设备、高精度运动平台以及其他需要高驱动性能和操作可靠性的应用。
| LC17D-23A15 | |
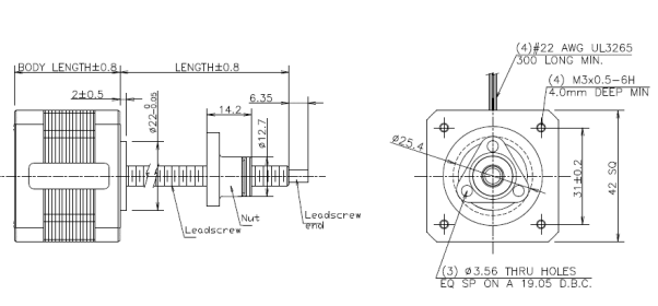
| 体长 | 33.7mm |
| 额定电压(Vm)直流 | 2.18 |
| 安培/相 | 1.5 |
| 电阻/相位Rm(欧姆) | 1.45 |
| 电感/相位(MH@1000Hz) | 2.5 |
| 最小保持扭矩(N-cm) | 23 |
| 步进角(度) | 1.8 |
| 步进精度(非累加)% | ±5 |
| LC17D-48A20 | |
| 体长 | 47.7mm |
| 额定电压(Vm)直流 | 3.4 |
| 安培/相 | 2 |
| 电阻/相位Rm(欧姆) | 1.7 |
| 电感/相位(MH@1000Hz) | 3.4 |
| 最小保持扭矩(N-cm) | 48 |
| 步进角(度) | 1.8 |
| 步进精度(非累加)% | ±5 |


