产品展示
超薄步进电机
NEMA步进电机
无槽无刷电机
直流无刷电机
丝杆电机和线性执行器
步进驱动器和无刷驱动器
电机零件
激光雷达电机
永磁电机
机器人电机
选型指南
无刷驱动器选择指南
无刷直流电机驱动器命名规则
直流无刷电机命名规则
步进电机命名规则
集成式直流无刷电机命名规则
应用领域
医学领域
机器人学
机器人灵巧手
纺织工业
汽车
安全
空气净化器
下载中心
综合样册
简易样本
资质证书
软件
新闻中心
公司新闻
行业动态
公司简介
关于汉姆
全球销售网络
联系方式
中文
English
首页
>>
产品展示
>>
直流无刷电机
直流无刷电机
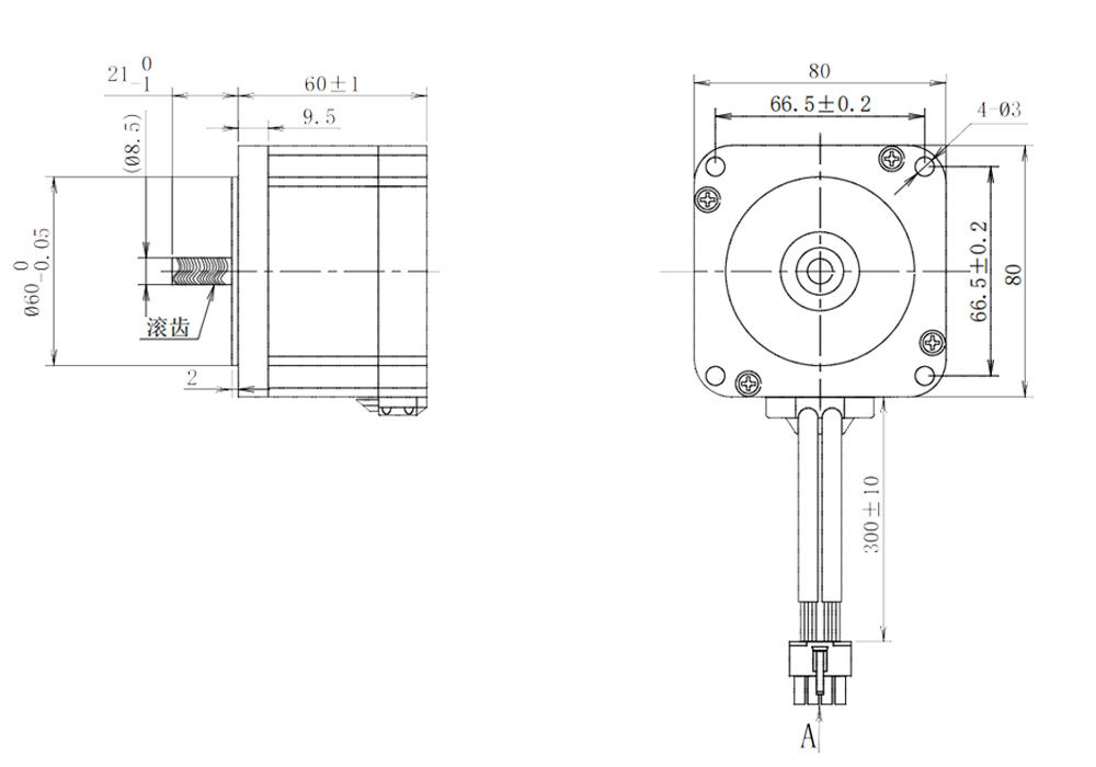
NEMA 32 直流无刷电机(圆形)
NEMA 32(圆形)是6个槽和4个极的组合,使其适用于更高电压和速度的应用。
NEMA 32 (圆形) 特性参数
NEMA 32 (圆形) 尺寸图
NEMA 32 (圆形)转矩曲线
NEMA 32 (圆形 )接线图
NEMA 32 (圆形) 特性参数
额定电压(VDC)
24
额定功率(W)
60
体长(mm)
60
极对
2
额定扭矩(Nm)
0.2
额定电流(A)
3.5
额定转速(RPM)
1200
空载转速(RPM)
2600
质量(kg)
1
传感器
Hall
工作环境(℃)
-20°~ +80°
储存环境(℃)
+5 ~ +35
工作湿度(RH)
15%-90%
NEMA 32 (圆形) 尺寸图
NEMA 32 (圆形)转矩曲线
NEMA 32 (圆形 )接线图