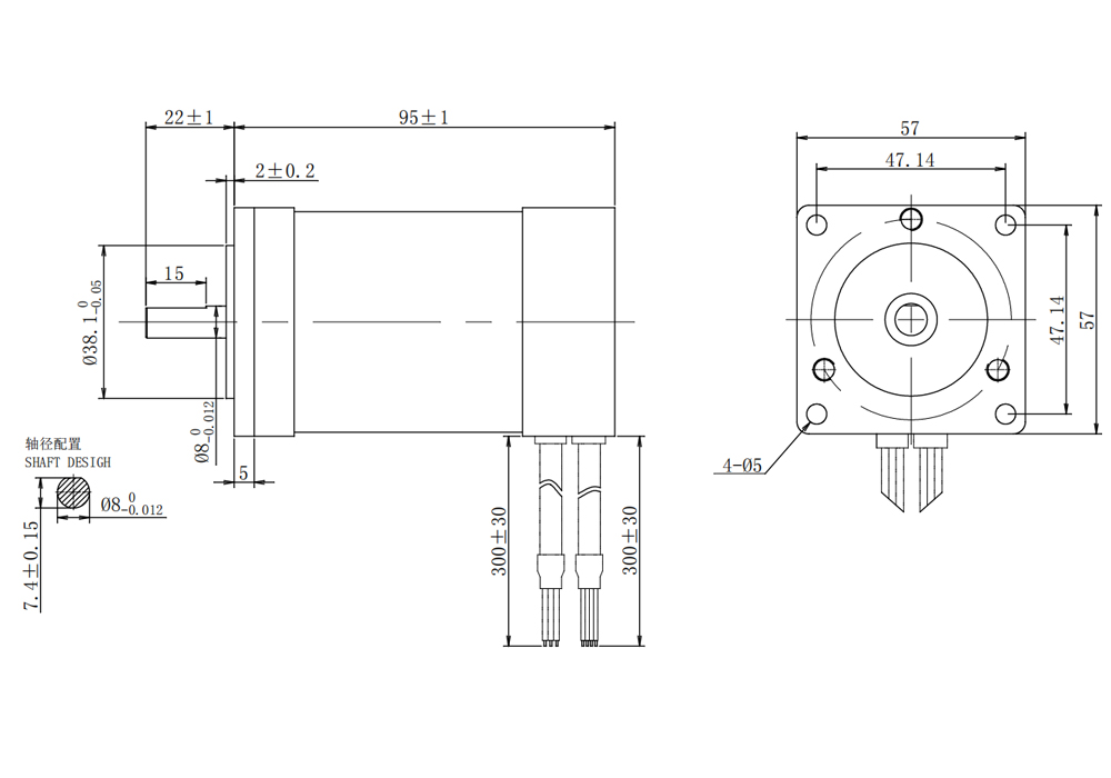
这是一台24V直流无刷电机,额定功率为135W。它提供0.45 N·m的额定扭矩和3000 RPM的额定转速,并配备霍尔传感器进行换向。电机重量0.55kg,可在-20℃至80℃的环境温度下稳定运行。
| 额定电压(VDC) | 24 |
| 额定功率(W) | 135 |
| 体长(mm) | 95 |
| 极对 | 2 |
| 额定扭矩(Nm) | 0.45 |
| 额定电流(A) | 8 |
| 额定转速(RPM) | 3000 |
| 空载转速(RPM) | 4300 |
| 质量(kg) | 0.55 |
| 传感器 | Hall |
| 工作环境(℃) | -20°~ +80° |
| 储存环境(℃) | +5 ~ +35 |
| 工作湿度(RH) | 15%-90% |


